3-Loch-Waschtischarmatur Concetto
Waschtischbatterie Concetto NEU m.Ablaufgarnitur verchromt Grohe
3-Loch-Waschtischarmatur Concetto
Waschtischbatterie Concetto NEU m.Ablaufgarnitur verchromt Grohe
Designstark und alltagstauglich
Trio Royal am Waschbeckenrand. Diese Waschtischarmatur bringt modernes Design in Ihr Badezimmer. Das Aufbrechen in Ihre Einzelteile macht diese Armatur zu einem echten Hingucker. Die runde Formensprache schafft es dabei, trotzdem auch den Bogen zu traditionellem Badezimmerdesign zu schlagen. Die Waschbeckenarmatur wird direkt auf dem Waschbeckenrand montiert.

Der einfachste Weg zum neuen Bad
Dokumente
Pflegeanleitung
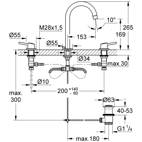
Vermaßtes Bild / Strichzeichnung
Technische Spezifikationen
Höhe (cm)
26.5
Größe
L
Ausladung (cm)
15.3
Auslaufhöhe (cm)
16.9
Nenngröße
DN15
Gewicht (kg)
2.75
Anschluss Vorlauf
Außengewinde
Anschlussverbindung
Anschlussschlauch, G1/2"
Max. Zapfkapazität (bei 300 kPa) (l/min)
13
Volumenstromklasse
A
Wassersparposition
nein
Temperaturbegrenzung
nein
Thermostatisch
nein
Rückflusssicherung nach EN 1717
AA, ohne Rückstromschutz
Montageart
Platte / Armaturenloch
Mit Rosetten
nein
Mit Heißwasser-Sparfunktion
nein
Mit Handbrause
nein
Druckart
Hochdruck
Ausführung Mundstück
Schaumstrahldüse
Ausführung Griff
Hebel
Ausführung Ablauf
mit Ablaufgarnitur
Anzahl der Armaturenlöcher
3
Anzahl der Griffe
2
Schließmechanismus
Oberteil keramisch
Farbe
chrom
Farbgruppe (Hauptfarbe)
silber
Oberfläche
verchromt
Werkstoff
Messing
Produkttyp/Modellnummer
20216001
Auslauf schwenkbar
nein
Mit Griff
ja
Mittenabstand (cm)
20
Ergebnis
GROHE Concetto
3-Loch Waschtischbatterie, 1/2
L-Size
Keramik-Oberteil 1/2 , 90 Grad
GROHE Long-Life Oberfläche
GROHE FastFixation
Schnellbefestigungssystem
Auslauf mit Mousseur
Zugstangen-Ablaufgarnitur 1 1/4
druckfeste, flexible
Verbindungsschläuche zwischen
Mittelkörper und Seitenventilen
chrom
Dokumente
Pflegeanleitung
Vermaßtes Bild / Strichzeichnung
Technische Spezifikationen
Höhe (cm)
26.5
Größe
L
Ausladung (cm)
15.3
Auslaufhöhe (cm)
16.9
Nenngröße
DN15
Gewicht (kg)
2.75
Anschluss Vorlauf
Außengewinde
Anschlussverbindung
Anschlussschlauch, G1/2"
Max. Zapfkapazität (bei 300 kPa) (l/min)
13
Volumenstromklasse
A
Wassersparposition
nein
Temperaturbegrenzung
nein
Thermostatisch
nein
Rückflusssicherung nach EN 1717
AA, ohne Rückstromschutz
Montageart
Platte / Armaturenloch
Mit Rosetten
nein
Mit Heißwasser-Sparfunktion
nein
Mit Handbrause
nein
Druckart
Hochdruck
Ausführung Mundstück
Schaumstrahldüse
Ausführung Griff
Hebel
Ausführung Ablauf
mit Ablaufgarnitur
Anzahl der Armaturenlöcher
3
Anzahl der Griffe
2
Schließmechanismus
Oberteil keramisch
Farbe
chrom
Farbgruppe (Hauptfarbe)
silber
Oberfläche
verchromt
Werkstoff
Messing
Produkttyp/Modellnummer
20216001
Auslauf schwenkbar
nein
Mit Griff
ja
Mittenabstand (cm)
20
Ergebnis
GROHE Concetto
3-Loch Waschtischbatterie, 1/2
L-Size
Keramik-Oberteil 1/2 , 90 Grad
GROHE Long-Life Oberfläche
GROHE FastFixation
Schnellbefestigungssystem
Auslauf mit Mousseur
Zugstangen-Ablaufgarnitur 1 1/4
druckfeste, flexible
Verbindungsschläuche zwischen
Mittelkörper und Seitenventilen
chrom